



水活性 | |
測量范圍 | 0 … 1 aw |
測量精度 | 0 … 0.6 ± 0.02 aw |
0.6 … 1 ± 0.03 aw | |
分辨率 | 0.001 aw |
響應時間(典型) | <1 分鐘 |
油中水分含量 (溶解水分) | |
測量范圍 | 0…100ppm 500 ppm 1000ppm 2000ppm 或定制 |
測量精度 | ± 10 % or 10ppm 二者取大者 |
溫度 | |
測量范圍 | -40 ... 120 °C |
精度(at +25 °C) | ± 0.3°C |
工作溫度(環境) | -40 ... +80 °C |
容許油溫 | -40 ... +120 °C |
輸出 | |
數字信號 | RS485 MODBUS RTU, (RS232可選) |
模擬信號 | 4... 20 mA 負載電阻200…500Ω |
其他 | |
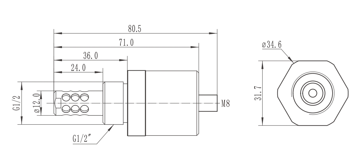
機械接口 | G 1/2” ISO或1/2” NPT |
探頭容許工作壓力 | 20bar 其他壓力范圍請咨詢 |
探頭材料 | 316 & 304不銹鋼 |
防護等級 | IP65 |
供電電源 | 9V-36V DC (RS485通訊時) 15V-36V DC (4 ... 20 mA通訊時) |
供電電流 | < 5mA+負載電流 |
變送器重量 | 200 g |
包裝總重量 | 270g |
包裝規格 | 紙盒 172×117×53 mm |
電纜規格 | M8*1 6芯 |
電纜長度 | 6芯 2米 UL20866 6*22AWG |
電磁兼容標準 | CE/ISO EN61326-1,EN61000-3,EN61010 B級 |
應用意義 水分的存在對于大多數油液是有極大破壞力的,比如: 對于大型連續作業設備、重型機械裝備等,實時監測潤滑油及液壓油中的水分,對于保障這些關鍵設備的正常運行起到了不可替代的作用。因為水分的存在會破壞油膜,造成添加劑失效,引起金屬部件腐蝕,使潤滑油或者液壓油失效,減短油液使用壽命,嚴重的甚至會使大型機械非計劃停車,造成嚴重的安全事故及經濟損失。 對于發電機組、變壓器,水分會破壞油的絕緣特性,對電力設備的安全構成威脅。 對于發動機,水分將會使油品的燃燒效率降低,嚴重的會導致發動機熄火,造成交通事故。 這些貴重工業設備,一旦發生故障或者損壞,不但經濟受到損失,還可能引發重大安全事故。因此,工業生產中對油中水分進行實時測量具有重要意義。 油中水分 油中水分的兩種表達形式: 一、水活性Aw,英文Water Activity。 指油中水分含量實際值與當前溫度下油中飽和水分含量的比值,其范圍為0 … 1 Aw。 例如,0 Aw表示油中沒有水分存在,1 Aw表示油中水分飽和,游離水析出。 二、水分含量ppm,指油中水分的絕對含量(質量比或體積比),英文Parts Per Million,無量綱。 質量比: 油中水分的質量/油的質量 常見單位mg/kg 體積比: 油中水分的體積/油的體積 常見單位μl/L GB/T7600-2014描述油中水分含量單位為mg/L,傳感器讀數ppm換算方法如下:假設傳感器讀數58ppm,則換算為58 ppm×(0.86g/ml)=50mg/L,其中0.86g/ml為油的密度。 |
掃一掃關注微信